○千曲坂城消防組合火災予防条例施行規則
昭和49年1月1日
規則第1号
(目的)
第1条 この規則は、千曲坂城消防組合火災予防条例(昭和48年千曲坂城消防組合条例第6号。以下「条例」という。)の施行について必要な事項を定めることを目的とする。
(標識等)
第2条 条例第8条の3第1項及び第3項(条例第11条第1項第5号及び第3項、第11条の2第2項、第12条第2項及び第3項、第13条第2項及び第4項の規定において準用する場合を含む。)、第17条第3号、第23条第2項、第3項及び第4項、第31条の2第2項第1号(条例第33条第3項の規定において準用する場合を含む。)並びに第34条第2項第1号の規定によりそれぞれ設ける表示の標識は、別表第1に定めるとおりとする。
2 条例第31条の2第2項第1号(条例第33条第3項の規定において準用する場合を含む。)及び第34条第2項第1号の規定により設ける掲示板には、危険物、指定可燃物の性状に応じ、それぞれ次の表に掲げる事項を記載するものとし、その様式は別表第2に定めるとおりとする。
危険物、指定可燃物の種類 | 防火上の記載事項 |
第1類の危険物のうちアルカリ金属の過酸化物若しくはこれを含有するもの又は禁水性物品 | 注水行為を厳に禁止する旨 |
第2類の危険物(引火性固体を除く。) | 火気の使用に注意を要する旨 |
第2類の危険物のうち引火性固体、自然発火性物品、第4類の危険物又は第5類の危険物 | 火気の使用を厳に禁止する旨 |
指定可燃物 | 火気使用に注意し整理、整頓する旨 |
(変電設備等の点検記録)
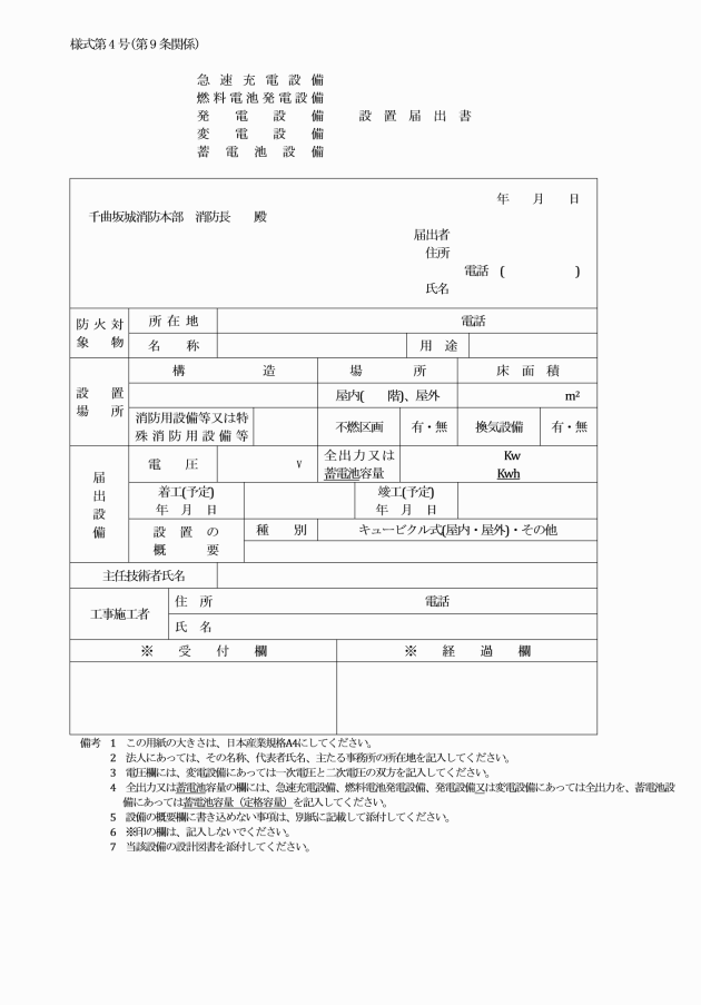
第3条 条例第11条第1項第9号(条例第8条の3第1項及び第3項、第11条の2第2項、第12条第2項、第13条第2項及び第14条第2項の規定において準用する場合を含む。)の規定による点検、試験又は補修の結果の記録は、燃料電池発電設備・変電設備・急速充電設備・発電設備・蓄電池設備・ネオン管灯設備点検・試験結果記録表(様式第1号)によるものとする。ただし、他の法令の規定による点検等の記録表で、様式第1号に定める記載事項が確認できる場合にあっては、当該記録表をもってこれに代えることができる。
(気球及び掲揚綱の十分な強度)
第4条 条例第17条第5号の規定により用いなければならない風圧又は摩擦に対し十分な強度を有する気球及び掲揚綱等の材料及び構造の基準は、次のとおりとする。
(1) 気球の材料
イ ビニール樹脂若しくはこれに類する樹脂又はゴム引布等でその材質が均一で、かつ、気温の変化等による変質、静電気の発生又は帯電しにくいもの
ロ 生地は、可そ剤、着色剤等の吹き出し、及び粘着がなく、かつ、泡及び異物の混入がないもの
ハ 厚さは、ビニール樹脂については、0.1ミリメートル以上、ゴム引布については0.25ミリメートル以上のもの
ニ 拡張力及び伸びは、膨張又は圧縮による内外圧に十分耐えるもので、塩化ビニールフィルムにあっては15ニュートン毎平方ミリメートル、ゴム引布にあっては27ニュートン毎平方ミリメートル以上のもの
ホ 引裂強さは、塩化ビニールフィルムにあっては、エレメンド引裂強さ0.6ニュートン毎平方ミリメートル以上のもの
ヘ 水素ガスの透過する量は、1気圧、摂氏20度、24時間において、1平方メートルにつき5リットル以内のもの
(2) 気球の構造
イ 掲揚中、局部的に著しく外圧を受け、又は著しく静電気を発生することがないもの
ロ 掲揚中、著しく不安定になり、又は回転することがないもの
ハ 接着部分は、その強さが生地の強さと同等以上であるもの
ニ 糸目座の強さは、150キログラム以上の荷重に耐えるもの
(3) 掲揚綱の材料
イ 麻又は綿などで材質が均一で、かつ、変質、静電気の発生又は帯電しにくいもの
ロ 繊維は比較的長繊維のもの
ハ 掲揚綱に使用する綱の太さは、直径が、麻については6ミリメートル以上、合成繊維については4ミリメートル以上、綿については7ミリメートル以上のもの
ニ 糸目綱に使用する綱の太さは、直径が、麻については3ミリメートル以上、合成繊維については2ミリメートル、綿については4ミリメートル以上のもの
ホ 掲揚綱の切断荷重は、気球の直径が2.5メートルを超え3メートル以下のものについては240キログラム以上、2.5メートル以下のものについては170キログラム以上のもの
ヘ 水、バクテリア、油、薬品等により腐しょくしていないもの
ト 摩擦によりその強さが容易に減少しないもの
チ 建物等のかどにおける横すべりにより容易に切断することのないもの
リ 吸湿により著しく硬化することのないもの
(4) 掲揚綱の構造
イ ヤーン数2以上のストランドを3つよりとしたもの又はこれと同等以上の強度を有するもの
ロ 著しく変形し、又はキンクすることのないもの
ハ 操作に際し、著しく滑ることのないもの
ニ 糸目は6以上とし、浮力及び風圧に十分耐えるもの
ホ 結び目は、動圧により容易に解けることのないもの
ヘ 結び目は、局部的に荷重が加わらないようにしたもの
(1) 消防法(昭和23年法律第186号)別表1に掲げる危険物、条例別表第7に掲げる指定可燃物のうち可燃性固体類及び可燃性液体類
(2) 一般高圧ガス保安規則(昭和41年通商産業省令第53号)第2条第1項に掲げる可燃性ガス
(3) 火薬類取締法(昭和25年法律第149号)第2条第1項に掲げる火薬類及び同条第2項に掲げる玩具煙火
(危険物の性質に応じた遵守事項)
第6条 条例第30条第4号の規定による危険物の性質に応じた遵守事項は、次のとおりとする。
(1) 第1類の危険物は、可燃物との接触若しくは混合、分解を促す物品との接近又は過熱、衝撃若しくは摩擦を避けるとともに、アルカリ金属の過酸化物及びこれを含有するものにあっては、水との接触を避けること。
(2) 第2類の危険物は、酸化剤との接触若しくは混合、炎、火花若しくは高温体との接近又は過熱を避けるとともに、鉄粉、金属粉及びマグネシウム並びにこれらのいずれかを含有するものにあっては、水又は酸との接触を避け、引火性固体類にあってはみだりに蒸気を発生させないこと。
(3) 自然発火性物質にあっては炎、火花若しくは高温体との接近、過熱又は空気との接触を避け、禁水性物品にあっては水との接触を避けること。
(4) 第4類の危険物は、炎、火花若しくは高温体との接近又は過熱を避けるとともに、みだりに蒸気を発生させないこと。
(5) 第5類の危険物は、炎、火花若しくは高温体との接近、過熱、衝撃又は摩擦を避けること。
(6) 第6類の危険物は、可燃物との接触若しくは混合、分解を促す物品との接近又は過熱を避けること。
(安全装置)
第7条 条例第31条の2第2項第5号及び第31条の4第2項第4号(第31条の5第2項においてよるものとされている場合を含む。)の規定による安全装置は、次の各号のいずれかに掲げるものとする。
(1) 自動的に圧力の上昇を停止させる装置
(2) 減圧弁で、その減圧側に安全弁を取り付けたもの
(3) 警報装置で、安全弁を併用したもの
(タンク等の流出防止措置)
第7条の2 条例第31条の3第2項第2号及び第31条の4第2項第10号の規定による流出を防止するための有効な措置は、次のとおりとする。
(1) 屋外のタンクにあっては、タンクの周囲にコンクリート又は鋼板等不燃材料で造られた流出止めを設けること。
(2) 前号の流出止めは、タンク側板から0.5メートル以上(容量500リットル未満のタンクを除く。)の距離を置くこと。ただし、流出止め外への漏れ及び飛散等を防止するための措置を講じた場合は、この限りでない。
(3) その他のタンクにあっては、敷居を高くする等の流出止めを設けること。
(4) 流出止めの容量は、当該流出止め内にあるタンクの容量の全量を収納できるものであること。
(5) 流出止め内の地盤面は、コンクリート等の遮油性を有する不燃材料で被覆されていること。
(6) 流出止めに水抜き口を設ける場合は、弁を設けること。
(1) 防火対象物の配置図、各階平面図及び消防設備等の設計図書(消火器具、避難器具等の配置図を含む。)
(指定洞道等の届出の様式)
第10条の2 条例第50条の2第1項(同条第2項において準用する場合を含む。)の規定による届出は、指定洞道等届出書(様式第13号)により行わなければならない。
(露店等の開設届出の様式)
第10条の3 条例第50条第1項第6号の規定による届出は、露店等の開設届出書(様式第18号)、火災予防上必要な業務に関する計画提出書(様式第19号)により行わなければならない。
(タンクの水張検査等)
第13条 条例第51条の3第1項の規定による申出は、水張・水圧検査申請書(様式第16号)により行うものとする。
2 条例第51条の3第2項の規定によるタンクの完成検査済証は、様式第17号によるものとする。
2 前項に規定する方法により公表する事項は、次に掲げるものとする。
(1) 前条第2項に規定する違反が認められた防火対象物の名称及び所在地
(2) 前条第2項に規定する違反の内容(当該違反が認められた防火対象物の部分を含む。)
(3) その他消防長が必要と認める事項
(委任)
第17条 この規則の施行について必要な事項は、消防長が定める。
附則
1 この規則は、公布の日から施行する。
2 火災予防条例施行規則(昭和45年規則第8号)は、廃止する。
附則(昭和59年11月27日規則第2号抄)
1 この規則は、昭和59年12月1日から施行する。
附則(昭和61年3月27日規則第2号)
この規則は、昭和61年4月1日から施行する。
附則(平成2年2月28日規則第3号)
この規則は、平成2年5月23日から施行する。
附則(平成4年3月30日規則第1号)
(施行期日)
1 この規則は、平成4年4月1日から施行する。
(経過措置)
2 この規則の施行の際、現に設置されているうち改正後の坂城戸倉上山田消防組合火災予防条例施行規則(以下「新規則」という。)第3条の規定に適合しないものの標識及び掲示板の基準については、これらの規定にかかわらず、なお従前の例による。
附則(平成6年12月21日規則第2号)
この規則は、平成7年4月1日から施行する。
附則(平成10年10月1日規則第4号)
この規則は、平成11年10月1日から施行する。
附則(平成14年10月15日規則第2号)
この規則は、平成15年1月1日から施行する。
附則(平成15年9月1日規則第3号抄)
(施行期日)
第1条 この規則は、平成15年9月1日から施行する。
(千曲坂城消防組合火災予防条例施行規則に関する経過措置)
第6条 この規則の施行前までに坂城戸倉上山田消防組合火災予防条例施行規則又は更埴市火災予防条例施行規則(昭和44年更埴市規則第10号)の規定に基づきなされた処分、手続その他の行為は、第8条の規定による改正後の千曲坂城消防組合火災予防条例施行規則の相当規定によりなされた処分、手続その他の行為とみなす。
附則(平成17年3月2日規則第1号)
この規則は、平成17年12月1日から施行する。
附則(平成17年10月20日規則第5号)
この規則は、公布の日から施行する。
附則(平成18年7月20日規則第12号)
この規則は、公布の日から施行する。
附則(平成24年11月30日規則第2号)
この規則は、平成24年12月1日から施行する。
附則(平成26年3月10日規則第1号)
この規則は、平成26年4月1日から施行する。
附則(平成30年10月17日規則第3号)
この規則は、平成32年4月1日から施行する。
附則(令和3年5月1日規則第1号)
この規則は、令和3年5月1日から施行する。
附則(令和5年10月16日規則第11号)
この規則は、令和6年1月1日から施行する。
別表第1(第2条関係)
(ア) 燃料電池発電設備の標識

(イ) 変電設備の標識

(ウ) 急速充電設備の標識

(エ) 発電設備の標識

(オ) 蓄電池設備の標識

(カ) 禁煙の標識

(キ) 禁煙である旨の表示

(ク) 裸火使用禁止の標識

(ケ) 火気厳禁である旨の表示

(コ) 危険物品の持込禁止の標識

(サ) 水素ガスを充てんする気球を掲揚又はけい留する場所への立入禁止の表示の標識

(シ) 喫煙所の標識

(ス) 喫煙所である旨の表示

(セ) 危険物を貯蔵し、又は取り扱っている旨を表示した標識

(ソ) 指定可燃物を貯蔵し、又は取り扱っている旨を表示した標識

(タ) 指定可燃物を貯蔵し、又は取り扱っている移動タンクの標識

別表第2(第2条関係)
(ア) 注水行為を厳に禁止する旨の掲示板

(イ) 火気の使用に注意を要する旨の掲示板

(ウ) 火気の使用を厳に禁止する旨の掲示板

(エ) 火気の使用に注意し、整理整頓する旨の掲示板

別表第3(第2条関係)
(ア) 定員の表示板


横線及び定員枠 金色 定員枠内の地 白色
上部及び下部の地 白色 「定員」及び「名」の文字 青線で縁取りした白地 中央の地 赤色
(イ) 満員札






















